Top Page Index About Link Mail Form このページの応用機器製作します

青色LEDを使った電波時計

→組み立て方
→部品表
→操作方法

掌の上の青色LED電波時計 青色LED電波時計 十円玉との比較

 昨年、小型グラフィック液晶を使った電波時計を作りましたが、ちょっと地味。最近ではカラー液晶や OLEDモジュールなども入手できるようになりましたが、それらは電気を食うので電池駆動にはちょっと難があります。

 ある日、青色LEDは高輝度なので明るさを落としてやれば電池駆動できるくらいに消費電流を減らせないか? と思いついたので試してみました。結果的にはやはり実用的な明るさにすると1ヶ月も持たないのですが、それでも総電流 10mA程度(4桁表示)でかなり明るく光ることがわかりました。1ヶ月はともかく、単三電池で1週間程度は動作しますし、なんなら太陽電池などと組み合わせるのもよろしいかと思います。

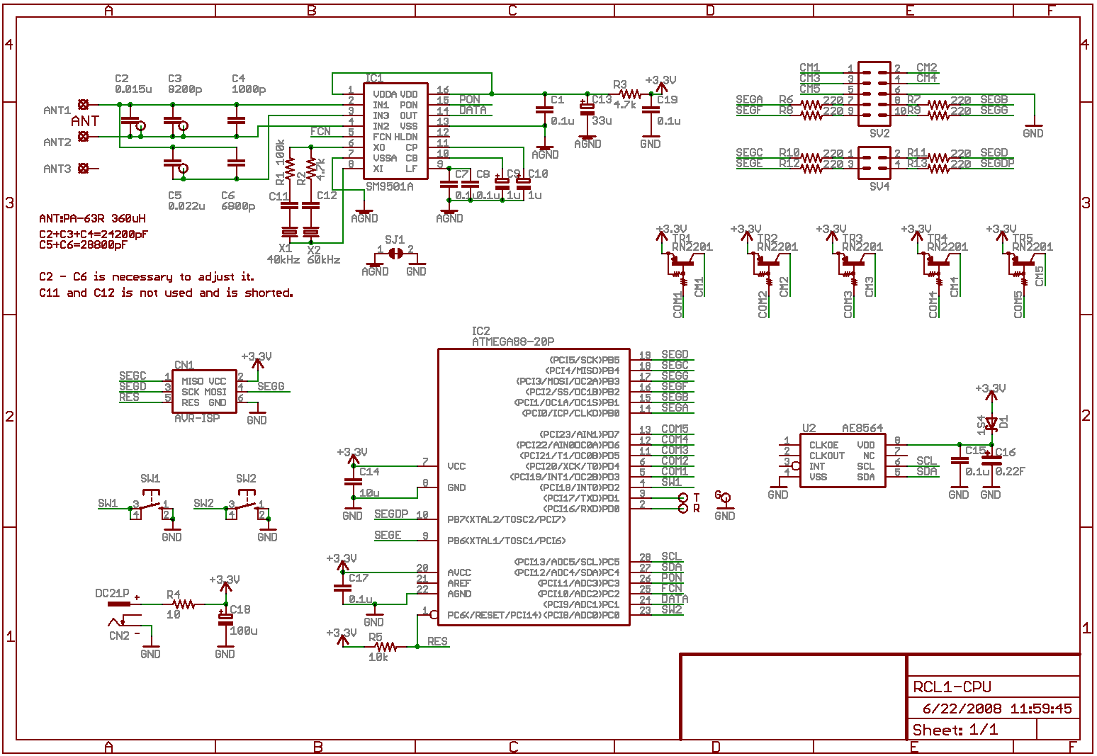
 CPU基板回路図
 LED基板回路図
 CPU基板レイアウト
 LED基板レイアウト
 ファームウェア(2008.7.7)(New)
 ファームウェア(2008.7.6)(Old)
 ファームウェア(2008.6.29)(Old)

 CPU基板回路図の C2〜6は今回はこの値で同調しましたが、部品のバラつきもあるので作る度に調整する必要があります。CPUの PB0〜7は 7SEG LEDのセグメント駆動に使っていますが、割り当てが不規則になっています。これは、LED基板でパターンの都合がいいようにコネクタのピン割り当てを変更した際、CPU基板の方の変更を忘れた為です。orz 幸い、ソフトウェアで補正が効きますのでなんとかなりましたが。C11, 12は実装せずにショートしてあります。

青色LEDとその基板

 色々と応用が効きそうなので基板を作ってみました。標準電波の受信にはマルツパーツ館で扱うようになったので SM9501AVを使っています。ピン配置や細かい仕様は異なりますが、基本的に小型グラフィック液晶の電波時計で使った SM9502Aと同じです。消費電流が非常に小さい(55μA以下)なので電源ラインに 4.7kΩという大きな抵抗をを入れてノイズフィルタ代わりにしてあります。秋月の 3.3VスイッチングレギュレータACアダプタは安価な半面、かなりノイズを出しますので使えるかどうか心配だったのですが、この抵抗や基板配置等に気を使ったせいか、あるいは電流が少ない為かわかりませんが全く問題なく使えています。

 電源は 3.3Vで、消費電流は明るさ 100%で 11mA前後という所です。明るさを落とせば電流も減りますが、最小で 2mAくらいです。基板上には電源の安定化回路はありませんので外部で安定化しておく必要があります。トランス式の ACアダプタだと負荷が軽すぎて電圧が上がりすぎると思います。入力電圧が 3.6V以上だと電気二重層コンデンサや SM9502AVの耐圧を越えますので注意してください。

ケースを外したところ

 せっかく基板を起こすので今回はちゃんと 40kHz/60kHz切り替えにしてみました。うちは新潟県なので、隣の福島県からの 40kHzの標準電波は良好に受信できます。60kHzの佐賀県の送信所とは 1,000kmくらい離れていますが、(1)7SEG LEDの表示を止める (2)バーアンテナを基板から少し(10cm以上)離す のどちらかで受信可能です。7SEG LEDのダイナミックスキャンはやはりノイズを出すようです。以前作った短波ラジオキットでも 7SEG LEDがノイズ源になっていますし。

 今回は LEDの駆動電流が小さいのでバーアンテナと基板を 10cm程度離しただけで大丈夫になります(注:左の画像では小さいケースに入れる為、その距離が無い)。また、現在のファームウェアは1時間に1度、同期を試みるようになっていますが、真夜中の3時ちょっと前に同期してみて、それが失敗した場合は3時半頃に 7SEG LED表示を止めて同期するようになっています。

背面から見た

 バーアンテナは中波用のバーアンテナ PA-63Rを使っています。40kHz/60kHzの同調は前回同様にフランクリン型発振回路を組んで周波数カウンタでそれを測り、40kHz/60kHzになるようにコンデンサを組み合わせます。

 電波時計だけでなく、リアルタイムクロックとそれのバックアップ用の電気二重層コンデンサも内蔵しています。電源を切っても2、3日は計時を維持します。もっとも、電源投入直後にも標準電波の同期動作をしますが。

 アラームが欲しいという要望がありましたので、拡張用の空きポート(PD0, PD1)に圧電サウンダをつないだらアラームが鳴るようになっています。差動駆動してはいますが、あまり大きな音は出ません。大きな音で鳴らないと起きられないという人は専用に 12V電源用意してトランジスタ入れて圧電サウンダを駆動してください。

明るさ比較 100%

 PWM制御で 7SEG LEDの明るさを 5〜100%の 20段階に調光できるようになっています。左の図は 100%。「C1」は設定モードの1番目を示します。桁が足らないので「00」が 100%を示します。

明るさ比較 50%

 明るさ 50%。カメラの補正とかもありますので実際とは違って見えるかも。輝度を合わせるため、コロンなどの単体LEDには光拡散用のゴムキャップを被せてあります。

明るさ比較 5%

 明るさ 5%。さすがに苦しいです。

 7SEG LEDの側面には黒いテープを貼ってあります。これは、白いままだとコロンなどの LEDの光が反射して美しくないから。

12時間表示

 設定モードでは上記の明るさの他に (C2)標準電波の 40kHz/60kHz選択、(C3)24時間表示/12時間表示選択、(C4)マニュアル時間設定 ができます。左の画像は 12時間表示にしてみた所。左端に AM/PMを意味する LEDが点灯します。

 マニュアル時間設定は、万が一環境が悪くて標準電波が全く受信できない場合にもとりあえず普通の時計として使えるよう、ボタン操作で時計設定ができるようになっています。避難措置ですね。

 右端の緑色の LEDは標準電波を受信して同期動作をしていることを示します。標準電波に合わせて点滅します。電波状態が良好な場合は1秒毎に点滅します。1秒以下で素早く点滅する場合はノイズが多いことを示します。同期動作は基本的に毎時 56分50秒から行います。電波状態が良ければ1分で同期して終了します。同期できない場合も 59分過ぎには動作を中断します。

日付表示

 一応、日付表示もできます。SW1をチョンと押すと日付表示に、SW2をチョンと押すとアラーム時刻表示(OFFの場合は --:-- 表示)をしてしばらくすると時分表示に戻ります。時分表示には真ん中のコロン(:)は1秒毎に点滅します。

 ケースはタカチの SW-75Bで、前面にスモークブラウンの塩ビ板を貼り付けてあります。

受信レポート

受信場所40kHz
福島県おおたかどや山
60kHz
佐賀県はがね山
新潟県長岡市 昼間、夜間共に良好。ただし、夕方〜ゴールデンタイムに時々ノイズっぽいことがある。アパートの他の部屋の電子機器のせい? バーアンテナを基板から 10cm以上離せば受信可能。もしくは、7SEG表示を止めれば同期できる。
新潟県新潟市 マンションの北向きの窓よりでは、シンクロせず、マニュアルでのアジャストになりました。
北西の窓際に置いた際、ちゃんとシンクロしました。

群馬県高崎市 木造2階建一軒家、北西角部屋で西と北に窓有り
電源
単3電池2本
アンテナは垂直に立てた状態
ケースに未収納
受信状況
土曜日昼間、正常に受信できロックしました
40kHzと同じ
土曜日昼間、正常に受信できロックしました
神奈川県厚木市 神奈川県厚木市の鉄筋コンクリートビルの2Fで、北側窓枠
電源
単3電池2本
アンテナは垂直に立てた状態
ケースに未収納
受信状況
正常に受信でき、ロックしました
40kHzと同じ
受信不可。屋外は未テスト

アニメ

青色LED電波時計 画像 動画  数字が変わる時の表示をちょっと遊んでみました。コードが膨らんで 8KBに収まらないので ATmega168が必要です。

 アニメ版ファームウェア(2009.6.10)


応用例

 仕事で作った物なので回路図等の具体的情報を出せませんが、日付を同時に表示した例。基板やファームウェアは全く新しく開発しています。

 こちらも仕事の物なので具体的情報は出せませんが、表示に液晶を用いた例。LEDのダイナミック点灯はノイズを発生して電波時計の受信を妨害します。そのため、RCL1や上記の時計は電波の受信がうまくいかなかった場合は表示を消して受信に専念する動作をしますが、液晶の場合はノイズがほとんど出ないのでそのまま受信しています。